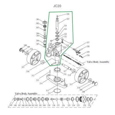
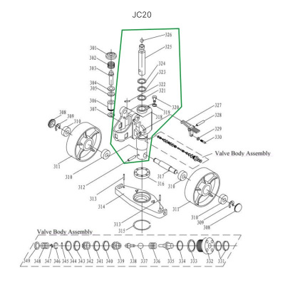
Запчасти и комплектующие
185.15 руб./шт
195.50 руб./шт
209.30 руб./шт
215.05 руб./шт
215.05 руб./шт
215.05 руб./шт
215.05 руб./шт





































